Bảng điều khiển MAM-870 là sản phẩm được thiết kế để điều khiển các thiết bị điện tử trong nhiều ứng dụng công nghiệp khác nhau. Với thiết kế nhỏ gọn và dễ sử dụng, MAM-870 là lựa chọn lý tưởng cho các ứng dụng cần điều khiển đơn giản và hiệu quả.
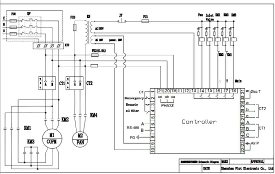
Sơ đồ cấu tạo bảng điều khiển MAM-870

Một số hình ảnh bảng điều khiển MAM-870 Á Châu cung cấp

