Trong hệ thống khí nén công nghiệp quy mô lớn, bình tích áp 5000L đóng vai trò như một "trái tim thép", đảm bảo nguồn cung khí nén dồi dào, ổn định và hiệu quả. Với dung tích vượt trội, kết cấu vững chắc và công nghệ tiên tiến, sản phẩm này là giải pháp lý tưởng cho các doanh nghiệp hoạt động trong lĩnh vực sản xuất công nghiệp nặng, đòi hỏi hiệu suất cao và vận hành liên tục.

Nhu cầu khí nén "khổng lồ" - Giải pháp bình tích áp 5000L
Trong bối cảnh công nghiệp hiện đại, nhu cầu sử dụng khí nén ngày càng tăng cao, đặc biệt là trong các nhà máy sản xuất quy mô lớn, dây chuyền sản xuất tự động hóa. Để đáp ứng nhu cầu này, bình tích áp dung tích lớn, điển hình là bình tích áp 5000L, đã trở thành một giải pháp không thể thiếu.
Bình tích áp 5000L mang lại những lợi ích gì?
- Lưu trữ khí nén dồi dào
- Ổn định áp suất khí nén
- Giảm tải cho máy nén khí
- Nâng cao hiệu suất làm việc
- Tiết kiệm chi phí

Bình tích áp 5000L UNI ACCOM - Chất lượng vượt trội, an toàn tuyệt đối
UNI-ACCOM tự hào cung cấp bình tích áp 5000L được chế tạo theo tiêu chuẩn chất lượng quốc tế, đảm bảo độ bền bỉ, an toàn và hiệu suất vượt trội:
- Vật liệu cao cấp
- Thiết kế chắc chắn
- Công nghệ tiên tiến
- Trang bị an toàn
- Tuổi thọ cao
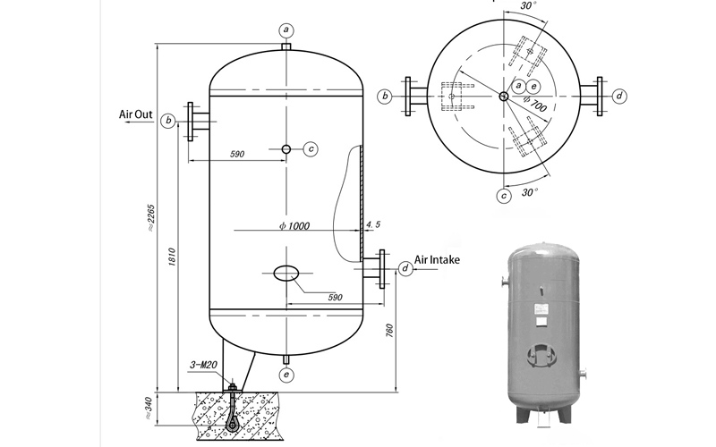
Thông số kỹ thuật
- Dung tích: 5000 Lít
- Áp suất làm việc: 8.5 kg/cm2 (có thể điều chỉnh theo yêu cầu)
- Áp suất thiết kế: 10 kg/cm2
- Vật liệu: Thép tấm SS400 (hoặc vật liệu khác theo yêu cầu)
- Kích thước (ØxH): 1600 x 2991 mm
- Kiểu dáng: Thân trụ đứng, hai đáy cong dạng elip.
- Tiêu chuẩn thiết kế, chế tạo: TCVN 8366:2010; 6008:2010
- Tiêu chuẩn thử nghiệm: TCVN 6154:1996
- Phụ kiện kèm theo:
- Van an toàn (kích thước theo yêu cầu) - Số lượng 1
- Van xả đáy (kích thước theo yêu cầu) - Số lượng 1
- Ống khí vào (kích thước theo yêu cầu) - Số lượng 1 (hoặc nhiều hơn theo yêu cầu)
- Ống khí ra (kích thước theo yêu cầu) - Số lượng 1 (hoặc nhiều hơn theo yêu cầu)

UNI ACCOM - Đồng hành cùng sự phát triển của doanh nghiệp
Không chỉ cung cấp sản phẩm chất lượng cao mà phụ tùng máy nén khí UNI ACCOM còn mang đến dịch vụ chuyên nghiệp, tận tâm:
- Đội ngũ kỹ thuật viên giàu kinh nghiệm sẵn sàng tư vấn, hỗ trợ khách hàng lựa chọn sản phẩm phù hợp nhất với nhu cầu.
- UNI-ACCOM là nhà phân phối trực tiếp, không qua trung gian, cam kết mang đến giá thành tốt nhất thị trường.
- Hệ thống vận chuyển chuyên nghiệp, giao hàng tận nơi trên toàn quốc.
- Đội ngũ kỹ thuật viên hỗ trợ lắp đặt, vận hành và bảo trì sản phẩm.
- Chính sách bảo hành dài hạn, đảm bảo quyền lợi cho khách hàng.
- UNI-ACCOM nhận thiết kế và sản xuất bình tích áp theo yêu cầu của khách hàng về dung tích, áp suất, vật liệu...
Bình tích áp 5000L thường được sử dụng với các loại máy nén khí có công suất lớn, dao động từ 132 kW (177 hp) đến 250 kW (335 hp) hoặc cao hơn, tùy thuộc vào nhu cầu sử dụng khí nén cụ thể. Để lựa chọn bình tích áp phù hợp nhất với máy nén khí và nhu cầu sử dụng, quý khách hàng nên liên hệ trực tiếp với UNI-ACCOM để được tư vấn chi tiết. Đội ngũ kỹ thuật viên giàu kinh nghiệm của chúng tôi sẽ khảo sát thực tế và đưa ra giải pháp tối ưu nhất, giúp quý khách hàng tối ưu hóa hiệu quả hoạt động của hệ thống khí nén.