Bảng điều khiển ACCOM-6080 là hệ thống điều khiển thông minh, được thiết kế chuyên biệt cho các dòng máy nén khí ACCOM. Với giao diện thân thiện, màn hình màu cảm ứng 7" hiện đại và chương trình điều khiển biến tần PID thông minh, ACCOM-6080 giúp tối ưu điện năng, đảm bảo vận hành ổn định và nâng cao hiệu suất làm việc của máy nén khí.
Tính năng nổi bật
Bên cạnh những tính năng tiêu chuẩn thường thấy với máy nén khí ACCOM-6080 còn trang bị một số tính năng cao cấp giúp quản lý và tiết kiệm điện năng.
Màn hình màu cảm ứng trực quan:
Màn hình cảm ứng TFT màu sắc nét, giúp thao tác nhanh chóng, dễ dàng.
Hiển thị đầy đủ thông tin về áp suất, nhiệt độ, trạng thái tải, cảnh báo lỗi và các thông số vận hành.
Giao diện trực quan, biểu tượng rõ ràng, hỗ trợ nhiều ngôn ngữ.
Chương trình điều khiển biến tần PID thông minh:
Tích hợp sẵn chương trình điều khiển biến tần PID, tự động điều chỉnh tốc độ động cơ theo nhu cầu sử dụng khí nén.
Giảm tiêu hao điện năng tối đa, giúp tiết kiệm chi phí vận hành.
Điều chỉnh áp suất chính xác, duy trì áp suất ổn định, tránh dao động lớn gây lãng phí năng lượng.
Chế độ điều khiển linh hoạt:
Hỗ trợ chế độ tải/không tải tự động, tối ưu hóa hiệu suất hoạt động.
Chế độ khởi động mềm, giảm thiểu tác động lên hệ thống điện.
Tùy chỉnh áp suất theo yêu cầu sản xuất, đảm bảo cung cấp khí ổn định.
Hệ thống giám sát và cảnh báo:
Giám sát các thông số quan trọng như nhiệt độ dầu, áp suất khí, điện áp, dòng điện động cơ.
Tích hợp cảnh báo sớm, hiển thị mã lỗi khi phát hiện sự cố như quá nhiệt, quá tải, áp suất bất thường,...
Ghi nhớ lịch sử lỗi, hỗ trợ chẩn đoán và bảo trì dễ dàng.
Kết nối và điều khiển từ xa:
Hỗ trợ truyền thông Modbus RTU, kết nối với hệ thống SCADA hoặc IoT để giám sát từ xa.
Cổng giao tiếp linh hoạt, có thể tích hợp cảm biến áp suất, cảm biến nhiệt độ và các thiết bị ngoại vi khác.
Bảo mật và an toàn
Chức năng mật khẩu bảo vệ, ngăn chặn thay đổi thông số không được phép.
Tự động ngắt khi phát hiện lỗi nghiêm trọng, bảo vệ hệ thống và động cơ máy nén.
Chế độ "Block Mode Control":
Chế độ "Block Mode Control" trên bảng điều khiển ACCOM-6080 cho phép kết nối đồng bộ từ 2 đến 16 máy nén khí mà không cần mua thêm tủ điều khiển trung tâm hay thiết bị hỗ trợ khác.

Hệ thống tự động điều phối vận hành, đảm bảo hiệu suất tối ưu với các tính năng:
Tự động kích hoạt máy dự phòng khi có sự cố, giúp duy trì áp suất ổn định.
Luân phiên vận hành các máy để đảm bảo tuổi thọ đồng đều, giảm hao mòn không cần thiết.
Tự động điều chỉnh số lượng máy hoạt động theo nhu cầu sử dụng khí nén:
- Bật thêm máy khi nhu cầu tăng cao.
- Tắt bớt máy khi nhu cầu giảm, giúp tiết kiệm năng lượng.
Với Block Mode Control, hệ thống máy nén khí vận hành linh hoạt, hiệu quả và tiết kiệm, giúp doanh nghiệp giảm chi phí vận hành, tăng độ tin cậy và đơn giản hóa quản lý hệ thống khí nén.
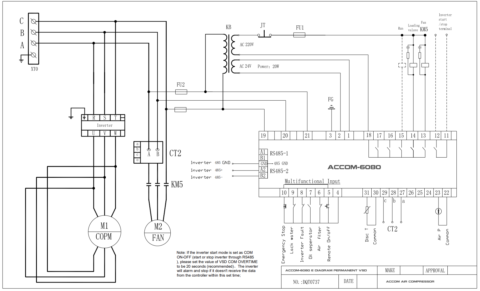
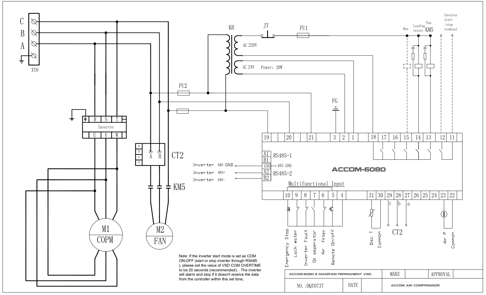
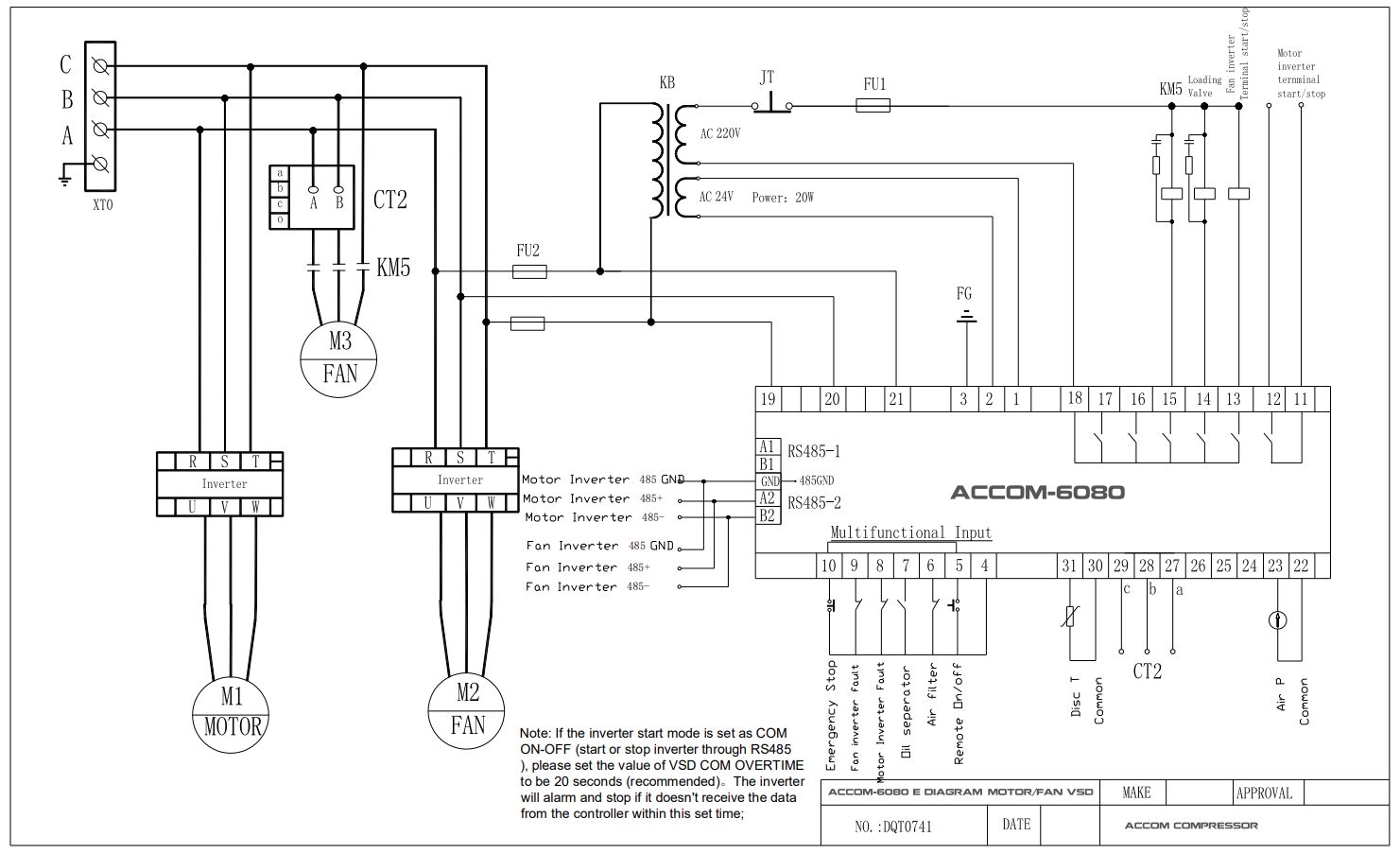
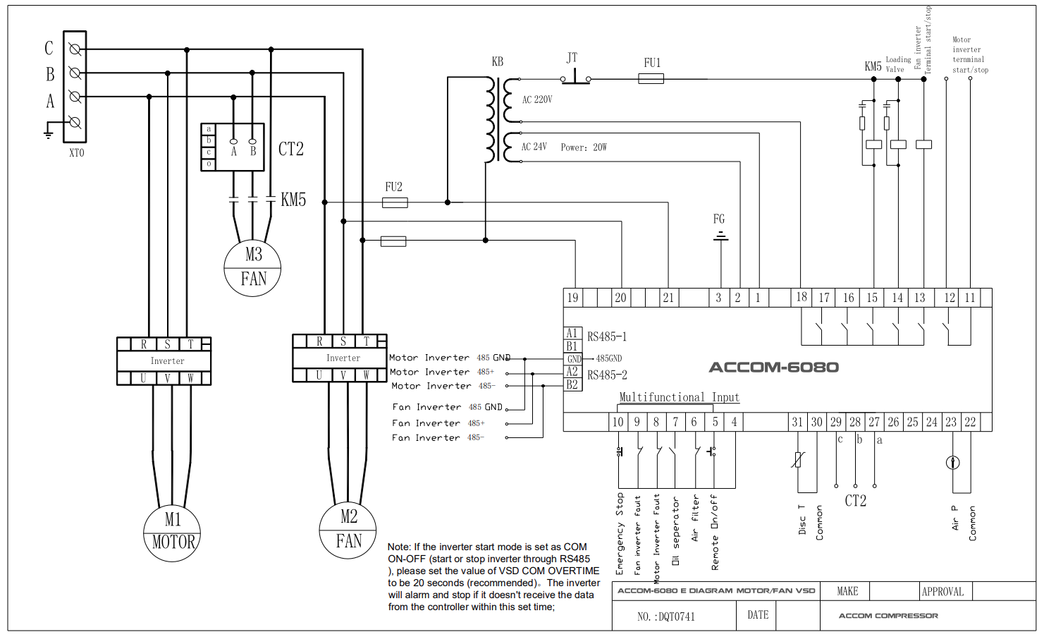
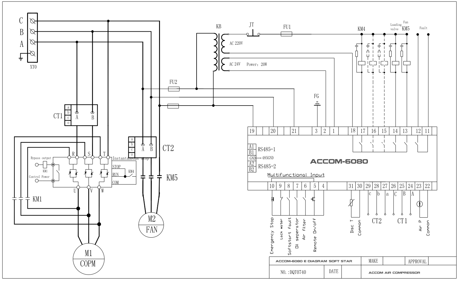
Sơ đồ đấu điện bảng điều khiển ACCOM-6080
Bảng điều khiển ACCOM-6080 được thiết kế linh hoạt, có thể sử dụng cho nhiều dòng máy nén khí ACCOM, từ các model tiêu chuẩn đến các phiên bản cao cấp sử dụng động cơ nam châm vĩnh cửu (PM), biến tần quạt hay khởi động mềm. Hệ thống điện và phần mềm điều khiển được lập trình thông minh, giúp tối ưu hiệu suất vận hành cho từng loại máy, đồng thời đảm bảo khả năng mở rộng và kết nối linh hoạt.
Sơ đồ đấu điện động cơ PM, biến tần quạt khởi động từ

Hỗ trợ máy nén khí sử dụng động cơ nam châm vĩnh cửu (PM) giúp tiết kiệm năng lượng.
Điều khiển biến tần quạt giúp giảm tiêu thụ điện năng, kiểm soát nhiệt độ hiệu quả.
Khởi động từ giúp đảm bảo an toàn khi đóng/ngắt điện áp cao.
Sơ đồ đấu điện Động cơ chính, động cơ quạt biến tần

Điều khiển động cơ chính bằng biến tần, giúp thay đổi tốc độ theo tải khí nén, giảm tiêu thụ điện.
Quạt làm mát cũng sử dụng biến tần, giúp giảm tiếng ồn và tối ưu làm mát.
Phù hợp cho các hệ thống hoạt động liên tục, yêu cầu hiệu suất cao. Sơ đồ dùng cho phiên bản máy nén khí ACCOM AS Plus
Sơ đồ đấu điện dùng khởi động mềm (Soft Start)

Tích hợp điều khiển khởi động mềm, giúp giảm dòng khởi động, hạn chế sụt áp hệ thống.
Bảo vệ động cơ khỏi sốc điện và hao mòn cơ học, tăng tuổi thọ máy nén khí.
Giải pháp phù hợp với các hệ thống công nghiệp quy mô lớn.
Biến thể ACCOM6080M & ACCOM6080 – So sánh tính năng và thông số kỹ thuật
1. Tính năng nổi bật
-
ACCOM6080 hỗ trợ nhiều chế độ chạy tùy chọn.
-
ACCOM6080M hỗ trợ chuyển đổi tần số động cơ và chuyển đổi tần số cả động cơ và quạt.
2. Thông số kỹ thuật và chức năng
2.1. Ngõ vào/ra kỹ thuật số
-
ACCOM6080: 6 ngõ vào kỹ thuật số (chức năng tùy chọn) và 6 ngõ ra rơle kỹ thuật số.
-
ACCOM6080M: 4 ngõ vào kỹ thuật số (chức năng tùy chọn) và 3 ngõ ra rơle kỹ thuật số.
2.2. Ngõ vào/ra tương tự
-
ACCOM6080: 1 ngõ vào nhiệt độ Pt100, 1 ngõ vào áp suất 4-20mA, và 2 nhóm ngõ vào dòng điện ba pha (cung cấp CT).
-
ACCOM6080M: 1 ngõ vào nhiệt độ Pt100, 1 ngõ vào áp suất 4-20mA, và 1 nhóm ngõ vào dòng điện ba pha (cung cấp CT).
2.3. Bảo vệ pha ngược
-
ACCOM6080: Phát hiện khi máy nén ở trạng thái dừng, thời gian phản hồi ≤ 1s.
-
ACCOM6080M: Phát hiện một lần sau khi bật bộ điều khiển.
2.4. Bảo vệ động cơ/quạt
-
ACCOM6080: Cung cấp bảo vệ quá tải, mất pha, mất cân bằng, điện áp cao, điện áp thấp cho động cơ, và bảo vệ quá tải cho quạt.
-
ACCOM6080M: Khi chế độ hoạt động được đặt thành "MOTOR VSD", bộ điều khiển có thể thực hiện bảo vệ quá tải cho quạt ở tần số nguồn.
2.5. Dải đo áp suất
-
ACCOM6080: 0~1.60MPa.
-
ACCOM6080M: 0~1.60MPa, dải áp suất cao nhất: 10.00MPa.
2.6. Cổng giao tiếp RS485
-
Cả hai đều có 2 cổng RS485. Một cổng cho chế độ block hoặc giao tiếp máy tính, cổng còn lại cho giao tiếp biến tần (đọc thông số, điều khiển bật/tắt, điều chỉnh tần số).
3. Chế độ chạy
-
ACCOM6080: Cung cấp các chế độ chạy PF/MOTOR VSD/FAN VSD/MOTOR FAN VSD/SOFT START.
-
ACCOM6080M: Chỉ cung cấp các chế độ chạy MOTOR VSD/MOTOR FAN VSD. Chế độ PF và Soft Start không được liệt kê rõ ràng trong phần "RUN MODE" của ACCOM6080M.
4. Cài đặt thông số VSD (Biến tần)
-
Cả hai đều có các mục cài đặt tương tự cho biến tần động cơ và biến tần quạt như địa chỉ giao tiếp, cài đặt tần số, điện áp, dòng điện, các hệ số PID, v.v..
-
ACCOM6080M có thêm các cài đặt cho biến tần động cơ như MOTOR START FREQ (tần số khởi động động cơ), MOTOR ACC TIME (thời gian tăng tốc động cơ), MOTOR DEC TIME (thời gian giảm tốc động cơ), LOW FREQ STOP DELAY (thời gian trễ dừng ở tần số thấp), SPEED ADJUST COEF (hệ số điều chỉnh tốc độ), và tùy chọn DISCH AIR MODE (chế độ khí xả) (có giới thiệu thêm ở phần phụ lục với các Mode A, B, C, L).
5. Cài đặt phần cứng
-
ACCOM6080 cho phép cài đặt chức năng cho 10 terminal (từ terminal 5 đến 10).
-
ACCOM6080M chỉ hiển thị cài đặt chức năng cho 4 terminal (terminal 5, 6, 7, 8).
6. Quyền thao tác và mật khẩu
-
Cả hai đều cung cấp nhiều cấp độ mật khẩu cho người dùng, nhà máy, hiệu chuẩn, block, cấu hình phần cứng, bảo trì, cài đặt biến tần, hiệu chuẩn cảm ứng, cài đặt áp suất theo lịch trình, cài đặt bật/tắt theo lịch trình, VSD động cơ và VSD quạt.
-
ACCOM6080 có thêm mật khẩu cho "SCHEDULED P" và "SCHEDULED ON/OFF".
7. Tóm tắt sự khác biệt chính
-
ACCOM6080M tập trung vào khả năng điều khiển biến tần cho cả động cơ và quạt, thể hiện qua các tính năng và thông số cài đặt chuyên sâu hơn cho VSD động cơ, và lược bỏ chế độ chạy PF và Soft Start.
-
ACCOM6080 có nhiều ngõ vào/ra kỹ thuật số hơn và hỗ trợ nhiều chế độ chạy hơn, bao gồm cả chế độ chạy không biến tần (PF) và khởi động mềm (Soft Start).
-
ACCOM6080M có thêm các chế độ điều chỉnh tốc độ động cơ nâng cao (Mode A, B, C, L) được giới thiệu ở phần phụ lục.
-
ACCOM6080 có khả năng cấu hình chức năng cho nhiều terminal phần cứng hơn.
Nhìn chung, ACCOM6080M là phiên bản được tối ưu hóa cho các hệ thống máy nén khí sử dụng biến tần điều khiển tốc độ cho cả động cơ và quạt, trong khi ACCOM6080 là một bộ điều khiển đa năng hơn, hỗ trợ nhiều cấu hình hệ thống khác nhau.