Cần một giải pháp chân không mạnh mẽ, bền bỉ và tiết kiệm năng lượng cho những ứng dụng khó nhằn? Bơm hút chân không 2 cấp Becker SV 500/2 chính là ứng cử viên sáng giá mà bạn đang tìm kiếm! ACCOM là địa chỉ uy tín cung cấp bơm chân không Becker chính hãng, bảo hành dài hạn, giá tốt nhất thị trường.

Becker SV 500/2 - Nhân đôi sức mạnh, tối ưu hiệu quả
Thuộc dòng máy thổi tái sinh SV Series, Becker SV 500/2 được thiết kế với hai tầng nén, mang đến khả năng tạo lực hút vượt trội so với các dòng bơm chân không thông thường. Bơm hoạt động dựa trên nguyên lý cánh quạt quay nhanh không tiếp xúc, đảm bảo hiệu suất cao, vận hành êm ái và không cần bảo dưỡng.
Ưu điểm vượt trội của bơm hút chân không 2 cấp Becker SV 500/2
- Lực hút mạnh mẽ: Thiết kế hai tầng nén cho phép SV 500/2 đạt được độ chân không sâu hơn, đáp ứng nhu cầu của các ứng dụng công nghiệp nặng, đặc biệt là trong các quy trình xử lý vật liệu, đóng gói, in ấn và sản xuất.
- Vận hành bền bỉ: Hoạt động không dầu, không tiếp xúc giúp loại bỏ ma sát và mài mòn, đảm bảo tuổi thọ vượt trội và giảm thiểu chi phí bảo trì.
- Tiết kiệm năng lượng: Động cơ IE3 hiệu suất cao giúp giảm thiểu tiêu thụ điện năng, góp phần bảo vệ môi trường và giảm chi phí vận hành cho doanh nghiệp.
- Vận hành êm ái: Độ ồn thấp nhờ bộ giảm thanh tích hợp, tạo môi trường làm việc thoải mái.
- Thiết kế nhỏ gọn: Tiết kiệm không gian lắp đặt, phù hợp với nhiều vị trí khác nhau.
- Lắp đặt linh hoạt: Có thể lắp đặt với chân đế cao su hoặc bệ đỡ.
- Kiểm tra bảo trì trực quan: Nắp van/bộ lọc trong suốt giúp dễ dàng quan sát và kiểm tra, tiết kiệm thời gian bảo trì.

Bơm hút chân không 2 cấp Becker SV 500/2 là giải pháp hiệu suất cao, bền bỉ và tiết kiệm cho các ứng dụng công nghiệp nặng. ACCOM tự hào là nhà phân phối chính hãng Becker, cam kết mang đến cho bạn sản phẩm chất lượng và dịch vụ tốt nhất. Liên hệ ngay với ACCOM để được tư vấn và báo giá!
Thông số kỹ thuật
|
Mã SKU |
MR00031 |
|
Chủng loại |
Bơm chân không 2 cấp |
|
Model |
SV 500/2 |
|
Thương hiệu |
Becker |
|
Xuất xứ |
Đức |
|
Công suất |
8.9 HP (6.6 kW) |
|
Lưu lượng |
179 SCFM (506 m³/h) |
|
Độ ồn |
70,4 dB(A) |
|
Chân không tối đa |
11.8 in.Hg (-300 mbar) |
|
Điện áp |
200-400V, 3 phase, 50Hz |
|
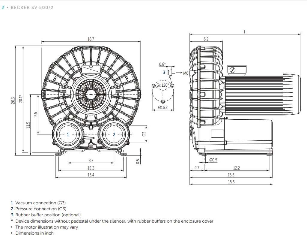
Kích thước (Dài x Rộng x Cao) |
582 x 441 x 526 mm |
|
Trọng lượng |
84 kg |
Khuyến mãi - ưu đãi
Miễn phí tư vấn lắp đặt
Dịch vụ bảo trì trọn đời
Vận chuyển giao hàng toàn quốc