Bạn đang tìm kiếm giải pháp bơm chân không và áp suất mạnh mẽ, đáng tin cậy cho các ứng dụng công nghiệp? Bơm hút chân không Becker DVT 3.140 là sự lựa chọn hoàn hảo, mang đến hiệu suất vượt trội, vận hành êm ái và bảo trì dễ dàng.

Đặc điểm nổi bật của bơm chân không kết hợp Becker DVT 3.140
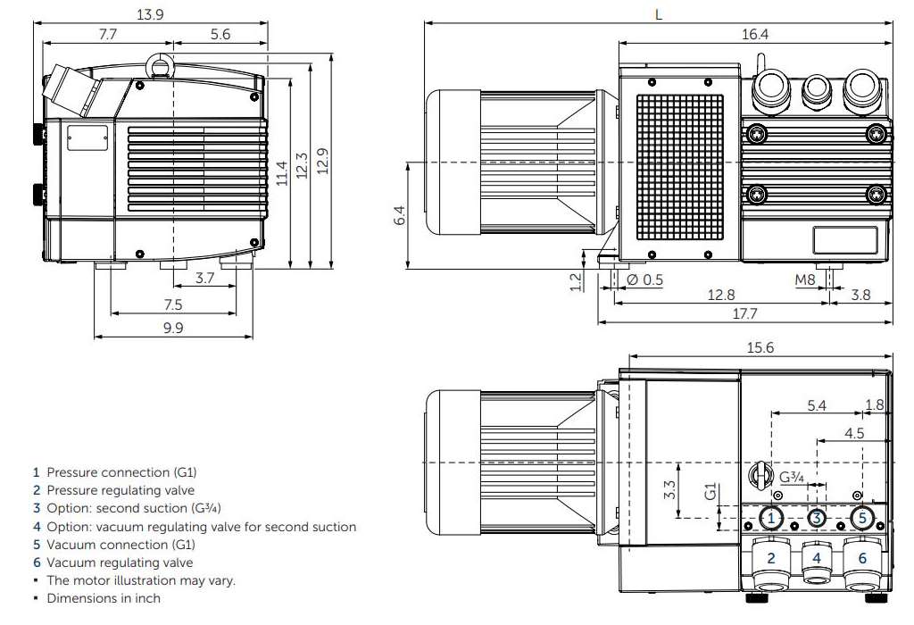
Becker DVT 3.140 là bơm chân không/áp suất công nghiệp không dầu, thuộc dòng DVT Series. Máy bơm này được thiết kế đặc biệt để tạo ra cả chân không và áp suất trong cùng một thiết bị, giúp bạn tiết kiệm chi phí đầu tư và không gian lắp đặt. Đặc điểm nổi bật của bơm hút chân không Becker DVT 3.140:
- Thiết kế 2 trong 1: Kết hợp chức năng bơm chân không và bơm áp suất, giúp tiết kiệm chi phí và không gian.
- Hoạt động không dầu: Đảm bảo môi trường làm việc sạch sẽ, không gây ô nhiễm dầu, giảm thiểu chi phí bảo trì và kéo dài tuổi thọ của bơm.
- Hiệu suất vượt trội: DVT 3.140 có công suất 12.1 HP và lưu lượng 94 SCFM, đạt được cả mức chân không sâu (18 in.Hg) và áp suất cao (8.7 PSI) cùng lúc, đáp ứng nhu cầu đa dạng của các ứng dụng công nghiệp.
- Tiết kiệm năng lượng: Thiết kế tối ưu hóa giúp giảm thiểu tiêu thụ điện năng, tiết kiệm chi phí vận hành.
- Vận hành êm ái: Độ ồn thấp, tạo môi trường làm việc thoải mái.
- Độ bền vượt trội: Vật liệu chế tạo chất lượng cao, đảm bảo tuổi thọ lâu dài.
- Bảo trì dễ dàng: Thiết kế đơn giản, tiện lợi cho việc bảo trì. Van điều chỉnh, bộ lọc và bộ làm mát được tích hợp sẵn và đặt cùng phía để dễ dàng tiếp cận. Việc kiểm tra và thay cánh quạt cũng rất đơn giản, chỉ mất vài phút.

Ứng dụng của bơm hút chân không Becker DVT 3.140
- In ấn và giấy: Cung cấp chân không và áp suất cho các máy in offset, máy in kỹ thuật số, máy in flexo, ...
- Đóng gói: Hút chân không, thổi khí trong quá trình đóng gói thực phẩm, dược phẩm, ...
- Gia công gỗ: Cung cấp chân không cho máy CNC, hệ thống hút bụi.
- Vận chuyển bằng khí nén: Vận chuyển bột, hạt, vảy ...
- Kỹ thuật cơ khí tổng hợp: Cố định, nâng, xử lý, sấy khô, làm mát ...
Bơm hút chân không Becker DVT 3.140 là giải pháp lý tưởng cho các ứng dụng công nghiệp, mang lại hiệu suất cao, độ bền, tiết kiệm năng lượng và đặc biệt dễ dàng bảo trì. ACCOM tự hào là nhà phân phối chính hãng Becker, cam kết mang đến cho bạn sản phẩm chất lượng, giá cả cạnh tranh và dịch vụ hậu mãi tận tâm. Liên hệ ngay để nhận báo giá và ưu đãi hấp dẫn!
Thông số kỹ thuật
|
Mã SKU |
MR00023 |
|
Chủng loại |
Bơm chân không kết hợp |
|
Model |
DVT 3.140 |
|
Thương hiệu |
Becker |
|
Xuất xứ |
Đức |
|
Công suất |
12.1 HP |
|
Lưu lượng |
94 SCFM |
|
Chân không tối đa |
18 in.Hg |
|
Áp suất tối đa |
8.7 PSI |
Khuyến mãi - ưu đãi
Miễn phí tư vấn lắp đặt
Dịch vụ bảo trì trọn đời
Vận chuyển giao hàng toàn quốc