Bạn đang tìm kiếm một giải pháp chân không đáng tin cậy, không cần bảo trì phức tạp và thân thiện với môi trường? Bơm hút chân không Becker VT 4.40 chính là câu trả lời hoàn hảo! Với thiết kế nhỏ gọn, hiệu suất ổn định và khả năng vận hành êm ái, VT 4.40 là sự lựa chọn lý tưởng cho các ứng dụng công nghiệp và phòng thí nghiệm.

Đặc điểm nổi bật của bơm hút chân không Becker VT 4.40
Khả năng vận hành vượt trội
VT 4.40 được thiết kế để hoạt động liên tục ở bất kỳ mức chân không nào, từ lưu lượng mở đến 25 inch Hg. Điểm đặc biệt của dòng bơm này là khả năng vận hành khô, không cần dầu bôi trơn, đảm bảo môi trường làm việc sạch sẽ và an toàn. Cánh gạt composite graphite tự bôi trơn giúp giảm thiểu ma sát, đảm bảo hiệu suất ổn định và kéo dài tuổi thọ của bơm.
Thiết kế thông minh, tiết kiệm không gian
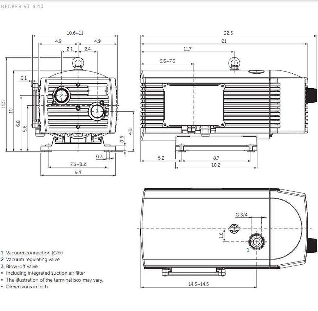
Với kích thước nhỏ gọn và trọng lượng nhẹ, VT 4.40 dễ dàng lắp đặt ở những không gian hạn chế. Bơm được trang bị đầy đủ các tính năng tiện ích như bộ lọc đầu vào tích hợp, van điều chỉnh chân không, bộ cách ly rung động và bộ giảm thanh xả, giúp giảm thiểu tiếng ồn và rung động trong quá trình vận hành.
Lợi ích khi sử dụng bơm hút chân không Becker VT 4.40
- Tiết kiệm chi phí: Vận hành không dầu, không tốn chi phí thay dầu và bảo trì đơn giản, giúp tiết kiệm chi phí vận hành đáng kể.
- Hiệu suất ổn định: Cánh gạt tự bôi trơn đảm bảo hiệu suất hút chân không ổn định trong thời gian dài.
- Vận hành êm ái: Giảm thiểu tiếng ồn, tạo môi trường làm việc thoải mái.
- Thân thiện với môi trường: Không sử dụng dầu bôi trơn, không gây ô nhiễm môi trường.
- Lắp đặt dễ dàng: Thiết kế nhỏ gọn, phù hợp với nhiều không gian lắp đặt.
- Độ bền cao: Kết cấu chắc chắn, vật liệu chất lượng cao, đảm bảo tuổi thọ lâu dài.

Ứng dụng của bơm chân không cánh gạt khô Becker VT 4.40
Bơm chân không Becker VT 4.40 được ứng dụng rộng rãi trong các ngành công nghiệp và phòng thí nghiệm:
- Chế biến gỗ: Giữ phôi gỗ chắc chắn trong quá trình gia công, hút bụi và mạt gỗ.
- In ấn và bao bì: Hỗ trợ các quy trình in ấn, gia công bao bì.
- Sản xuất thực phẩm: Hút chân không bao bì, bảo quản thực phẩm.
- Phòng thí nghiệm: Hỗ trợ các thí nghiệm, phân tích, kiểm tra chất lượng.
- Y tế: Hỗ trợ các thiết bị y tế, nha khoa.
Liên hệ ngay với ACCOM 0988.913.060 để được tư vấn, nhận bảng báo giá chi tiết và ưu đãi mới nhất!
Thông số kỹ thuật
|
Mã SKU |
MR00007 |
|
Chủng loại |
Bơm chân không cánh gạt khô |
|
Model |
VT 4.40 |
|
Thương hiệu |
Becker |
|
Xuất xứ |
Đức |
|
Lưu lượng |
40 m3/h |
|
Công suất |
1.25-1.5 Kw |
|
Áp suất |
– 85 Kpa |
|
Bảo hành |
12 tháng |
Khuyến mãi - ưu đãi
Miễn phí tư vấn lắp đặt
Dịch vụ bảo trì trọn đời
Vận chuyển giao hàng toàn quốc